
Detailed Product Description
| Advantage: | High Speed | Labeling Speed: | 60-200pcs/min |
|---|---|---|---|
| Function: | Ahesive Sticker Labeling | Material: | Stainless Steel |
| Bottle Type: | Automatic Round Bottle Labeler Jar | Application: | For All Kinds Of Round Container |
| Plc Brand: | MITSUBISHI(Japan) | Servo Labeling Motor: | DELTA(Taiwan) |
red wine labeling machine glass wine bottle labeling machine, PLC control system MITSUBISHI brand labeling machine
Features:
1. Operation: PLC control system makes labeling machine easy to operate
2. Material: Labeling machine's main body is made of SUS304 stainless steel
3. Configuration: Our labeling machines adopt well known Japanese, German, American, Korean or Taiwan brand parts
4. Flexibility: Client can chose to add printer and code machine; can chose to connect with converyer or not.
Technical Parameters:
| Name | Automatic round wine bottle for high speed sleeve shrink round bottle labeling machine |
| Labeling Speed | 60-350pcs/min |
| Height of Object | 30-350mm |
| Thickness of Object | 20-120mm |
| Height of Label | 5-180mm |
| Length of Label | 25-300mm |
| Label Roller Inside Diameter | 76mm |
| Label Roller Outside Diameter | 420mm |
| Accuracy of Labeling | ±1mm |
| Power Supply | 220V 50/60HZ 3.5KW |
| Gas Consumption of Printer | 5Kg/m2(if add coding machine) |
| Size of Labeling Machine | 2800(L)×1650(W)×1500(H)mm |
| Weight of Labeling Machine | 180kg |
Configuration
| No. | Part | brand | quantity |
| 1 | PLC | MITSUBISHI(Japan) | 1 |
| 2 | Main converter | DANFOSS(Denmark) | 1 |
| 4 | HMI | WEINVIEW(Taiwan) | 1 |
| 5 | Servo labeling motor | DELTA(Taiwan) | 1 |
| 6 | Servo labeling motor driver | DELTA(Taiwan) | 1 |
| 7 | Conveyor motor | H.Y(Taiwan) | 1 |
| 8 | Conveyor motor gearbox | H.Y(Taiwan) | 1 |
| 9 | Dividing bottle motor | GPG(Taiwan) | 1 |
| 10 | Dividing bottle motor gearbox | GPG(Taiwan) | 1 |
| 11 | Bottle separating motor speed governor | GPG(Taiwan) | 1 |
| 12 | Spoke motor | GPG(Taiwan) | 1 |
| 13 | Spoke motor gearbox | GPG(Taiwan) | 1 |
| 14 | object detect magic eye | OMRON(Japan) | 1 |
| 15 | optical fiber | OMRON(Japan) | 1 |
Machine detail:

32 main labeling machine parts

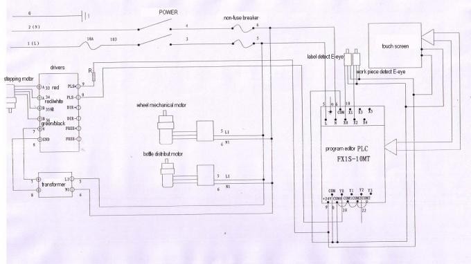
Circuit diagram

FAQ:
1.label gets bubbles
Reasons:
① peel off board is not good/ not flat;
② plough board is not good/not flat;
③ labeling output is too fast or the speed of assembly line is too low;
④ the label is pulled too loosen
Solutions:
① change a flat peel off board;
② change a flat plough board;
③ slow down the labeling output speed or increase the speed of assembly line;
④ impact the label belt properly.
Tag: industrial labelling machine, glass bottle labeling machine









